The first choice, to last…

Coil Heaters for Hot Runner Systems

Product Overview

Coil Heaters for Hot Runner Systems

Precision coil heaters designed for hot runner nozzles & manifolds with even heat profile and robust construction. Multiple cross-sections and watt densities, with optional J-type thermocouple.

Coil heaters from Pratik Heat Products are engineered specifically for hot runner applications where compact size, high watt density and excellent temperature uniformity are critical.

Available in a wide range of cross-sections and lengths, these heaters can be formed to match the profile of hot runner nozzles and manifolds while maintaining long heater life.

Download Catalogue Request for Quote
Share this product
WhatsApp LinkedIn
Link copied!
Coil Heaters for Hot Runner Systems
  • Sheath material: Stainless Steel (SS).
  • Standard sizes available with various cross-sections.
  • Multiple watt density options.
  • Designed for even heat profile.
  • Precision fit on hot runner nozzles.
  • Highly non-corrosive.
  • Optional J-type thermocouple (ungrounded).
  • Hot runner nozzles & bushings.
  • Tube extrusion.
  • Pipe forming.
  • Max sheath temperature: 750°C.
  • Voltage range: 24–250 V.
  • Standard wattages: 250, 330, 400, 470, 550, 650, 750, 850, 1000, 1100 W.
  • Lead wires: 1000 mm stranded nickel wires with PTFE coating.

Available Cross Sections (mm)

  • Round: 2.9, 3.3, 3.8.
  • Square: 3 × 3, 3.3 × 3.3.
  • Flat: 1.8 × 3.2, 2.5 × 4.3, 4 × 6.4.
  • Tolerance on all dimensions: ±0.1 mm.
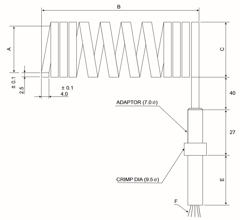
Dimensional Data Specs Tolerance
ID A −0.4 / −0.2
Length B ±1 mm
OD C
Cold length D ±5 mm
Cable length E ±25 mm
Watts W ±10%
Volts V
2 Power Cables, 2 Thermocouple, 1 Ground (Earthing) F
Dimensional reference
Dimensional reference

Need help sizing your coil heater?

Share nozzle dimensions, voltage and wattage—our team will recommend the best configuration.

WhatsApp Request for Quote LinkedIn
Chat on WhatsApp